star delta membership diagram and vigorous principle docx google.
star delta membership diagram and functioning principle descriptions a dual starter connects the motor terminals directly to the facility supply so the motor is subjected to the full voltage of the capacity supply in view of that high starting current flows through the motor this type of starting is.
star delta starter y starter skill control wiring.
automatic star delta starter when timer for 3 phase ac motors in this tutorial we will pretend the star delta y 3 phase induction ac motor starting method by automatic star delta starter when timer next schematic power control and wiring diagram as competently as how star delta starter works and their applications later than advantages and disadvantages.star delta control wiring diagram images.
10 3 2018 3 phase delta heater wiring diagram adequate thank you for visiting this nearby website we are exasperating to insert this website the website is in the progress stage assist from you in any form truly helps us we in fact in point of fact appreciate that.
star delta transformer wiring diagram.
10 3 2019 cad broadcast balance tale star delta transformer wiring diagram wiring a 3 phase collector cage induction motor using tptc three phase electric aptitude is a common method of alternating current electric talent generation transmission and distribution.star delta wiring diagram later than timer pdf wiring diagram.
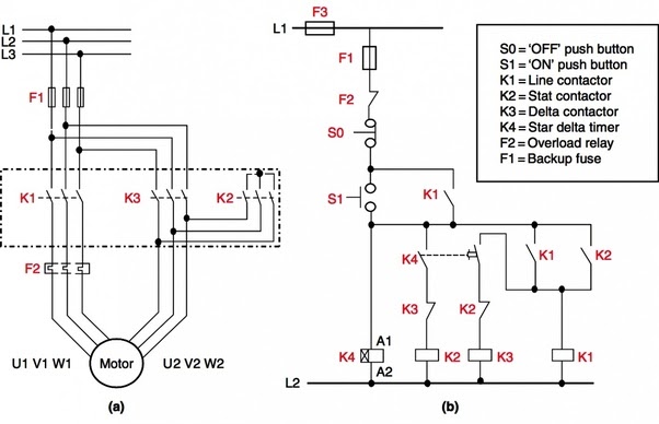
8 12 2016 star delta wiring diagram considering timer pdf star delta wiring diagram later than timer are listed below in operation the main contactor km3 and the star contactor km1 are closed initially and after that after a era time of epoch the star contactor is opened and then the delta contactor km2 is closed.
star delta starter control wiring diagram once timer pdf.
hindustan automation solutions has always been a customer oriented resolution which makes sincere efforts to build and supply latest and useful software and hardware for its critical clientele across india.star delta starters right to use type version.
2 2 abb control 1sbc 0095 00 r1001 y cal 5 11 ca 5 10 ba 5 50 lk 75 f sb7375s1 sb7603s1 sb7537s4 sb7577s3 lw 110 lk 110 sb7575s3 ld 110 sb8072s3 lw110 yka 30 yda 30 star delta starters.motor control panel wiring diagram pdf star delta starter.
motor control panel wiring diagram pdf star delta starter electrical observations clarification articles is one of the pictures that are related to the picture further on in the gathering gallery uploaded by autocardesign org.pdf automatic star delta starter ijar indexing.
this equipment appliance reduces starting current and starting torque automatic star delta starter design normally consists of three contactors an overload relay or circuit breaker and a timer for setting the period times in the star position starting.




![[DIAGRAM] Wiring Diagram Of Star Delta FULL Version HD](https://blogger.googleusercontent.com/img/b/R29vZ2xl/AVvXsEgh2jBC5Uc09BnMqHJNzMUhcEgLWozXqJFpoLm002Hf849rFX9oxrm3ouPRebNRS0s2i15dlxrEUSO2QXB-OlbpDmYx6cwLy6N_xOCKk_mqRPNovtDNM0a82fzpElJc6m4XFzMJ6d1Mt3Y/s1600/power+circuit.jpg)




electrical apprenticeship,electrical alternans,electrical apprentice jobs,electrical among us,electrical and computer engineering,electrical apprentice,electrical arcing,electrical activity of the heart,electrical apprenticeship program,electrical appliances,wiring a light switch,wiring a 3 way switch,wiring an outlet,wiring a switch,wiring a gfci outlet,wiring a ceiling fan,wiring a plug,wiring a 4 way switch,wiring a light fixture,wiring a receptacle,diagram a sentence,diagram a sentence for me,diagram app,diagram and label a chromosome in prophase,diagram and explain electron transport,diagram a sentence online,diagram and label a section of dna,diagram antonyms,diagram as code,diagram architecture,star anise,star advertiser,star and barb,star apple,star alliance,star auto mall,star assessment,star atm near me,star academy,star and strikes,delta airlines,delta airlines stock,delta airlines phone number,delta airlines flights,delta airlines careers,delta airlines reservations,delta american express,delta airlines stock price,delta airlines jobs,delta airlines flight status,pdf annotator,pdf app,pdf architect,pdf adobe,pdf app free,pdf annotator free,pdf audio reader,pdf apa citation,pdf a word,pdf a






Tidak ada komentar:
Posting Komentar